BRV-03卧式波节管容积式换热器

BRV-03卧式波节管容积式换热器
一、性能特点
BRV-03特点:
1、BRV-03波节管换热器具有RV-03特点外,还具有当汽水换热时,凝结水出口温度在30~45°C之间,回收了约占全部换热量的15%的凝结水热量,节能。
2、热媒温降大,换热充分,是同型RV系列产品的2.5-3倍。
二、设计使用说明
1、被加热水出口温度要求不高于75°C ,为延缓结垢,被加热水出口温度宜控制在60~65°C之间。
2、热交换器必须设置安全装置.
(1 )在换热器顶部装安全阀,安全阀开启压力应与选用换热器”设计压力”值相同(订购安全阀时应声明) ,安全阀的安装与使用应符合国家质量技术监督局颁发的《压力容器安全技术监察规程》的规定。
(2)应设膨胀水箱或压力式膨胀罐与换热器相连以承受罐体及系统中水的膨胀量,在条件许可的场合,也可在换热器顶部装设通大气的膨胀管.
(3)换热器使用中应定期检验每年至少进行一次外观检查 ,每3三年至少进行一次内、 外部检验,每六年至少进行一次全面检验,检查与检验的内容及要求按《压力容器安全技术监察规程》进行。
3、换热器使用中,应根据被加热水水质与使用情况定期清理水垢,当被加热水硬度较高时宜采取造宜的软化措施。
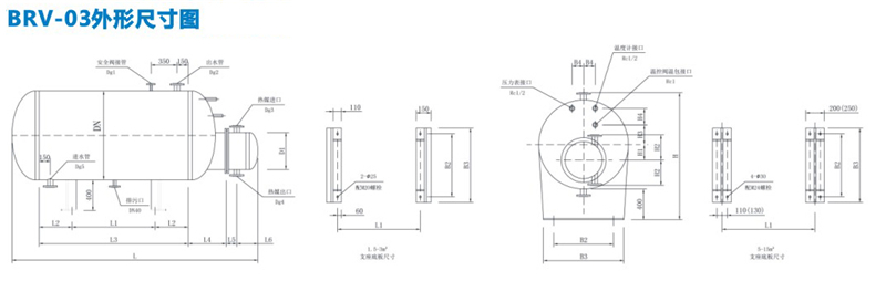
4、容器型号说明:

SGW卧式储热水罐/承压水箱
« 上一篇
2025年11月7日 下午4:32
BRV-04立式波节管容积式换热器
下一篇 »
2025年11月7日 下午4:32